热门搜索:
时间:2014-02-26 12:40 | 作者:Hida | 文章来源:【Hi-Fi粉丝团】 | 点击次数:800次
其实我制作这款前级的初衷是因为买了一副耳机,虽然这个耳机直接插在iPad上也是可以听的,而且效果还不是太差,但很想知道配了耳放以后会是什么效果,于是决定弄一个耳放。
坛子里,某宝上看了N天,什么黑鸟、小刺猬、莱曼等等看得眼花,但都觉得不是自己想要的东东,盘算着这家里什么6010、胆前等已都一堆了,唯一就是分离石机前级还只弄过一次,而且效果并不太好,于是决定弄一个石机前级兼耳放。
找来找去看了坛子里的一些相关资料,一款仿音乐之旅的前级进入视野,这款前级坛电路图齐全(这个非常重要),也有成功的先例,于是决定弄这款前级!
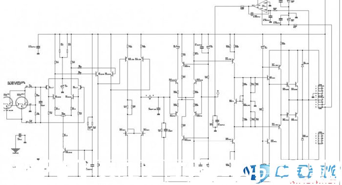
先上电路图(这款前级早已有电路图了,关于电路图的具体分析这里就不再说了),这个主放大电路,据描述是参考了音乐之旅的某合并机的电路:

音乐之旅AW120的电路图如下,大家可比较一下:

下面是电源的电路:

接下来当然就是开始采购材料了,为了方便,直接连PCB带零件买了全套,据说这PCB已是第五版了,可见作者非常用心:
这个ROE的电容看起来不错,最后的效果也证明了这款电容的实力。接下来是让人头大的变压器,家里存货不少,但都没有合适的电压,这款机器要双38V到42V左右,看了很多,箭猪、TALEMA的等等,不是电压不合适就是价格太烫手,偶然看到一家定制O型牛的,一直没有尝试过,看了价格觉得还可以接受,于是定了两头100瓦的。
经过漫长的大半个月的等待,O型牛到手,制作还算精致,开始看到引出线是白色的,还以为是用的铝线,后来使用了才搞清楚是用的纯无氧铜线,只不过外面有一层白色镀层,实际用下来,效果非常好,东西买回来忘记拍照,这里引用一下网上的图片:

电位器则用了几年前买的一款继电器分流式遥控音量、输入选择组件,就不多说了,后面整机图片中可看到。制作过程倒是比较轻松愉快。
这个是电源模块,包括主放大电路及音量控制和保护系统的供电都在这里了:

所有变压器都采用吊装,支撑立柱采用尼龙和铜两种材料,取其不同的协震频率,感觉还是很有效的。


由于买的是成品机箱,所以相对来说,金工活路不多,只弄了点小东西:

看看这个东西是干啥的?
折弯器还是用的这个,买了好多年了,很好用:

谜底揭晓:

电路板的焊接调整就不多说了,按部就班:

hi-fi粉丝团,hifi器材改装,hififn
hififn,hi-fi粉丝团,hifi器材改装,DIY制作
hi-fi粉丝团,hifi器材改装,hififen
相关内容
随机阅读
热门排行