热门搜索:
时间:2014-05-16 09:51 | 作者:Hida | 文章来源:【Hi-Fi粉丝团】 | 点击次数:800次
最近,在某宝上买了一副Sennheiser/森海塞尔 HD600监听级高保真耳机,但因耳机阻抗为300Ω,不能插入德国瑞华士REVOX B225 CD机的耳机插孔来听CD,尤其不能用耳机听LP,于是想自己设计制作一台电子管前级+耳机放大器。

森海塞尔 HD600耳机

瑞华士REVOX B225 CD机
耳机的前级线路是马兰士7和马兰士1的混合,但做了如下修改:
1、LP唱机RIAA均衡放大器部分:可以在RC衰减型和RC反馈型两种均衡模式之间在线自由切换(用两个4刀2位开关实现);
2、前置放大器部分:仿照马兰士1,加进了RC音调控制电路,并且可以在马兰士7的反馈网络和马兰士1的RC提升衰减音调网络之间在线自由切换(用两个3刀2位开关实现);
3、信号输入/输出有5种方式可以选择(用6刀5位开关实现):
(a)LP→RIAA均衡放大→前置放大→输出
(b)LP→RIAA均衡放大→前置放大→耳放
(c)LP→RIAA均衡放大→输出
(d)CD→前置放大→输出
(e)CD→前置放大→耳放
做好了设计,并按照前级+耳放做了机箱开孔、稳压电源容量,但是由于用LT1028运放做的LP唱机RIAA均衡放大器效果出乎预料地好,所以似乎没有了马上做好前级的动力,而是把精力先投入设计制作耳机放大器。下图是已做好的耳放:

图中前面两排共6个电子管是仿马兰士7结构的RIAA均衡放大器+前置放大器。没有实际制作,插上电子管只是为了拍照片。后面两排共8个电子管是电源稳压器+耳机放大器,已经做好。耳放驱动Sennheiser/森海塞尔 HD 600和GRADO(歌德)SR325 耳机的效果都非常好,频响很宽,动态很好,尤其信噪比达到100db。

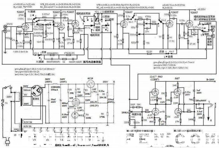
戴上耳机,音量电位器从头开到最大也听不到一点哼声,连轻微的咝咝声也没有,背景非常安静。线路图如下,其中上半部分是前级(未实施),下半部分是稳压电源+耳放。

一、电路简介
耳机放大器的第一级是阳极恒流源的共阴极放大器,注意这里不是SRPP。恆流源 比 SRPP 面世早些,结构也几乎一样,区別是SRPP则以上管的阴极作输出,而阳极恆流源共阴放大以下管的阳极作输出,这时输出阻抗和增益都比SRPP大。由于第二级是阴极跟随器,所以第一级输出阻抗高些无妨。

第二级是WCF(威氏阴随)。WCF的特点是对负载的宽容度很大,故多用以作耳放,在 32Ω ~ 400Ω 的范围内都不成问题。这种线路也被称为自推挽线路,没有电压增益,屏极电阻如果经过优化(等于电子管的跨导的倒数),输出阻抗为1/2S,也就是相当于两个电子管并联阴极输出器的输出阻抗。

此耳放的最大特点不在于采用了WCF电路,而是在输出部分增加了1个电容、2个电阻。但这个阻容网路不是随便加的,而是参照了J.Broskie设计的Aikido放大器结构。Aikido放大器消除噪声的基本原理是:通过一个阻容反馈网络,把电源波纹和噪声电压分解后分别进入阴极输出器的上下电子管的栅极,使电源带来的噪声在放大器中被互相抵消,获得了极低噪声的输出效果。见下图:
为了试验什么型号电子管适合Aikido放大器,J.Broskie作了大量研究,获得了很多电子管应用于Aikido放大器的数据。在Aikido放大器中,最重要的两个电阻莫过于WCF阴极输出器的R15和R16以及C。J.Broskie经过试验和软件模拟,给出了用不同电子管时这两个电阻取值推荐表:

而电容C的值由时间常数定。电源紋波的主要是直流中含有的频率100HZ的交流成分,所以一般取1uf。
二、设计各电子管的工作点
设计电子管工作点是为了使其工作A类状态,这时失真最小,听感最好。
(1)确定第一级阳极恒流源的共阴极放大器工作点和阴极旁路电容。
a.定工作点及阴极电阻
根据Va=125V,在12AU7的栅-屏曲线图上Va=125V阳极电压线的直线段中点附近取点,确定工作点是:Vg=-3.1V,Ia=6.2mA,由此确定阴极电阻:Rk= Vg/ Ia=3.1/6.2=0.5K=500欧姆,见下图:

b.计算阳极恒流源的输出电阻,也就是共阴极放大器的负载电阻。
输出电阻要在Va=125V,Ia=6.2mA的工作点条件下求出ra、u值以后,根据公式r=ra+(u+1)*Rk算出,先作图:

从图中求出:ra=8.4K,u=18.3,则r=ra+(u+1)*Rk=8.4+(18.3+1)*0.5=18.05K。
c.计算第一级的最大不失真输出电压。
在12AU7阳极电压Va、电流Ia与栅极电压Vg关系曲线图横轴上找到高压Vht=250V那一点;再求出在供电电压Vht =250V,负载电阻RL=18.05K时的阳极电流:Iam=Vht/RL=250/18.05=13.9mA。连接这两点做出RL=18.05K的负载线,正好通过工作点Q:Va=125V,Ia=6.2mA。

沿负载线向左,将栅极电压接近出现栅流的Vg=0V以前的Vg=-1V作为电压摆幅的限制点,对应电压是95V。
沿负载线向右,相同幅度内没有限制点。于是,最大不失真输出电压摆幅峰峰值是工作点电压与饱和限制点电压的差值的2倍:Vp-p=2×(125-95)=60V,最大不失真输出电压摆幅交流有效值:Vrsm=Vp-p/2√2=60/2.828=22.22V。
d.下臂管子阴极电阻两边并联的交流旁路电容不仅影响增益,而且其容量大小对低端频响有很大影响,需要设计选择。根据Morgan Jones的著作《电子管放大器》,电子管本身的阴极等效电阻为:rk=(RL+ra)/(u+1)。
上面已经作图求出:在Va=125V,Ia=6.2mA条件下,RL=18K,ra=8.4k,u=18.3,代入上式:rk=(18+8.4)/(18.3+1)=1.368K。
阴极等效阴极交流电阻rk与阴极偏置电阻Rk是并联关系,阴极总电阻:rk′=rk‖Rk=(1368×500)/(1368+500)=366欧姆
Morgan Jones的著作《电子管放大器》指出:“ 放大器要有良好的低频响应,不止靠正确的幅度响应,还需要相位和瞬态响应所受的影响最小,而相位和瞬态响应涉及的低频端比截止频率低10倍,所以通常将截止频率f-3db选取为1HZ。”
于是:Ck=1/(2∏f-3db rk′)=1/(2×3.14×1×366)=4350uf。算出来后第一感觉是:哇!计算结果要用这么大电容啊!从没有这样用过。
回过头来仔细一想:f-3db=1HZ时,对应的时间常数为159ms,回复时间为5×159=0.8秒,电路响应中断的时间已接近1秒,对于重放音乐信号来说,这样延迟已经过长,会造成低频拖长混浊,不干净利落,恐怕鼓点都要连成一片,分不清楚。所以我想宁可牺牲一些低频响应的幅度,也要保证低频干净不过肥,设定f-3db=10HZ,回复时间为0.08秒。与RK并联的交流旁路电容的容量为:Ck=1/(2∏f-3db rk′)=1/(2×3.14×10×366)=435uf。
最接近435uf的电容容量标准值是470uf。我选用了470uf/16V瑞典长寿命电容,型号:PEG124。后面方波频率响应测试图也表明,20HZ低频响应是不如中高频响应那么完美,但低频听感非常好:结实有力、富有弹性、下潜深度足够。
(2)输出级的WCF阴随最需要确定的是它的阳极负载电阻和输出电阻,这关系到能否很好地驱动耳机,只有输出阻抗与耳机阻抗匹配,才能使重放的声音是高保真的,否则虽然能响,但声音是失真的,动态和细节尤其低频会受到削弱。
a.先确定WCF阴随工作点。
根据Va=125V,在5687的栅-屏曲线图上Va=125V阳极电压线的直线段中点附近取点,确定工作点是:Vg=-3.75V,Ia=21mA,由此确定阴极电阻:Rk= Vg/ Ia=3.75/21=0.179K=179欧姆。尤其注意,由于一般阳极电流越大,跨导gm越大,内阻rp越小,输出电阻也越小,所以Ia一般取中点偏上一点。见下图:

5687栅-屏曲线
b.上管阳极负载电阻RL和WCF阴随的输出电阻r要在Va=125V,Ia=21mA的工作点条件下求出ra、u、gm值以后,根据公式RL=1/gm和r=(ra+RL)/【(u+1)*gm*RL】算出。先作图:

从图中求出:ra=2.5K,u=19,gm=7.15mA/V。则上管阳极负载电阻RL=1/gm=1/7.15=0.14K=140欧。
WCF阴随器的输出电阻有两种算法:
1、根据Morgan Jones的《电子管放大器》,r=(ra+R)/【(u+1)*gm*R】=(2.5+0.14)/【(19+1)×7.15×0.14】=0.132K=130欧姆。这个输出阻抗特别适合驱动120欧~300欧的中高阻耳机。尤其以较低的输出阻抗驱动300欧耳机,低频响应会非常好。
2、根据经验公式r=1/(2gm)=1/(2×7.15)=0.07K=70欧,这个输出阻抗不仅适合驱动120欧~300欧的中高阻耳机。甚至可以很好地驱动32欧低阻耳机,Sennheiser/森海塞尔 HD 600和GRADO(歌德)SR325 耳机的对比试验也证明了这一点。
最后,需要校验WCF输出级的最大不失真输出振幅和是否会过载,即出现从前级“偷”电流的情况。
在5687阳极电压Va、电流Ia与栅极电压Vg关系曲线图横轴上找到高压Vht=250V那一点,过工作点做出负载线。沿负载线向左,将栅极电压接近出现栅流的Vg=0V以前的Vg=-1V作为电压摆幅的限制点,对应电压是93V。
沿负载线向右,相同幅度内没有限制点。最大不失真输出电压摆幅峰峰值是工作点电压与饱和限制点电压的差值的2倍:Vp-p=2×(125-93)=64V,最大不失真输出电压摆幅交流有效值为Vrsm=Vp-p/2√2=60/2.828=22.6V。
要检验WCF阴随有没有过载的情况,只要將陽極電壓中標記的讀數反轉(本從左至右,現從右至左),并放置在特性曲線圖的頂部,在沒有陽極電流時,陰極電壓將為零。从下图可见125V的工作点在从右至左的横轴上与从左至右的横轴上基本重合(见图中从上至下的蓝虚线和从下至上的红虚线),离Vg=-1V差得很远,绝无产生栅流的可能,不会过载。

电子管稳压电源选用网上下载的标准线路,除了输出端取样电阻需要根据输出电压选择以外,只要接线正确,元器件良好,其他不用调试,一次成功,稳压效果很好。
第一级电子管也可以换成12BH7,因为我手头就有6只这管子。500欧姆的阴极电阻是否能适应12BH7的工作点需要?换上12BH7后,实测栅压-3.9V~-4V,在12BH7的栅-屏曲线图上, Va=125V, Vg =-3.9V~-4V 对应的Ia=Vg/Rk=7.8mA~8mA,位于曲线中点偏下,也工作在A类,可以适用。

hi-fi粉丝团,hifi器材改装,hififn
Hi-Fi粉丝团 www.hififn.com,hifi器材推荐网络平台,这里有全面的hifi行业资讯,hifi知识资料,hifi配件参数,hifi器材DIY创意与改装教程,hifi耳机音响评测等资讯!
hi-fi粉丝团,hifi器材改装,hififen
相关内容
随机阅读
热门排行